Steam Point of Use
Our Steam Point-of-Use Services are designed to optimize the final stage of the steam cycle, where steam is utilized directly in various processes that vary significantly across different industries.
By focusing on this crucial stage, we aim to reduce operating costs and conserve energy, ensuring that steam is used efficiently and effectively. Our team works closely with clients from diverse sectors, customizing solutions to optimize point-of-use equipment and processes, whether it's in healthcare, manufacturing, or any other industry where steam plays a vital role.
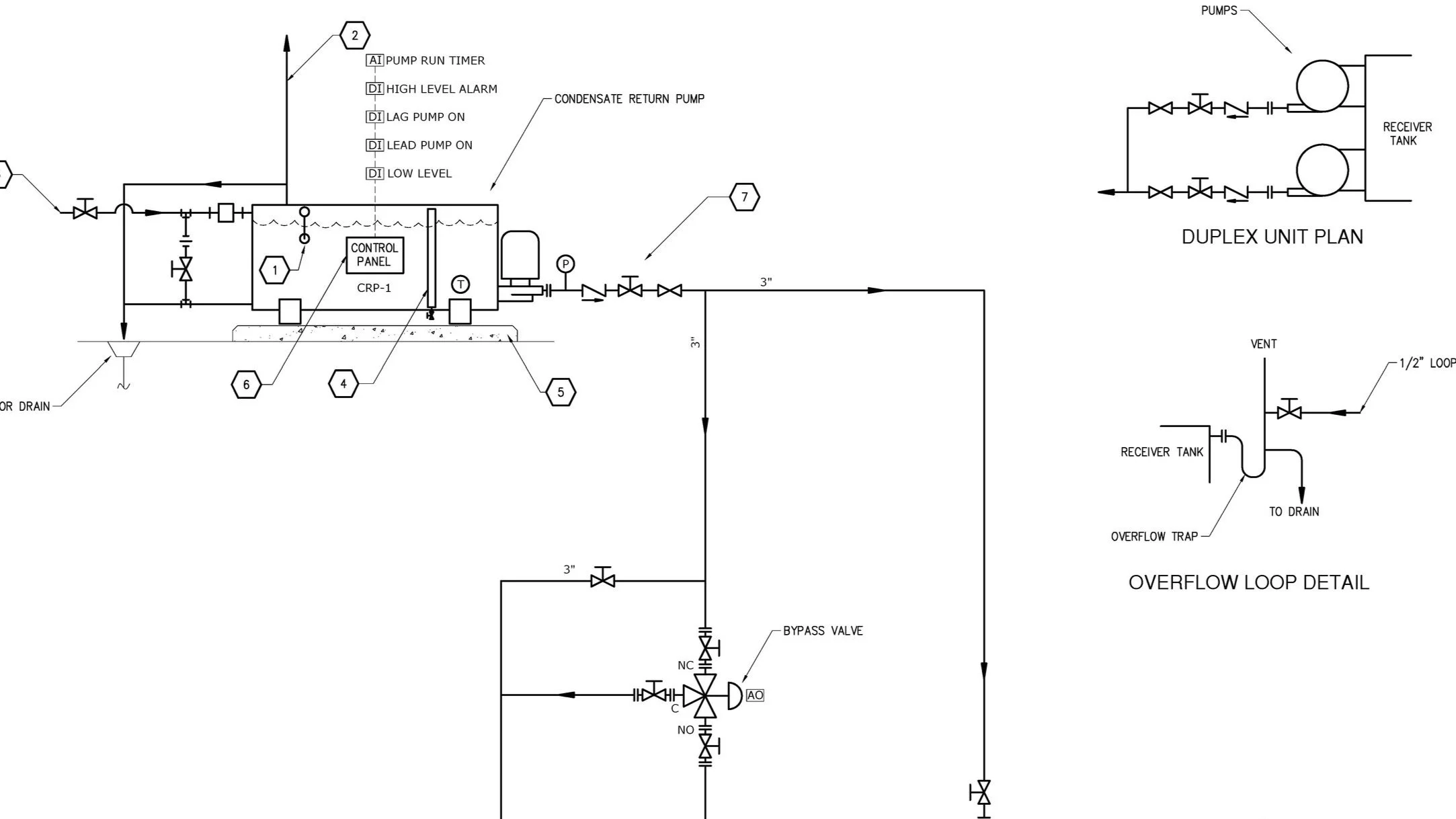
Control valves at the point-of-use in steam systems are crucial components that directly impact the efficiency, safety, and reliability of the entire system. These components regulate steam flow, ensuring that the steam is delivered to the end-use applications at the optimal rate.
A properly functioning and appropriately sized control valve is not just about safety; it's also about prolonging the life of your equipment, maintaining precise process control, and optimizing energy efficiency.
Control Valves
With our expertise, you can ensure that your meters are always functioning at their best, guaranteeing accuracy in measurement and control. This precision is essential for controlling costs, as it helps identify opportunities for reducing waste and optimizing steam usage.
Implementing sub-metering can further optimize savings and qualify you for incentives by providing detailed usage data, allowing for targeted efficiency improvements.
Meters Play A Critical Role In Monitoring And Measuring Steam Usage
All process and HVAC equipment, no matter how well-maintained, eventually reaches the end of its useful life span. When that time comes, it's important to make informed decisions about whether to replace or refurbish your equipment. Our team of experts is dedicated to helping you maintain a safe, efficient, and reliable steam system by recommending the most suitable equipment upgrades or replacements tailored to your system's specific needs.
Ensure a Seamless Transition When Upgrading or Replacing Your Equipment
The efficiency of energy transfer through point-of-use equipment is crucial for optimal facility operation and product delivery. Our team collaborates with you to evaluate your current system, pinpoint improvement opportunities, and devise a strategy that fits your operational objectives and financial plan. This ensures that your steam point-of-use solutions consistently perform at their best, enhancing both energy transfer and overall process efficiency.
Streamlining Process Improvement
Proven Steam Point of Use Expertise
Case Study: Modernization of the Philadelphia Museum of Art's Steam System Leads to Massive Savings
Case Study: Troubleshooting Condensate Return Issues in Unit Ventilators at New York High Schools
Case Study: Comprehensive Condensate System Assessment Boosts Efficiency at Major Detroit Veterans Hospital
White Paper: Condensate Return Analysis
Learn About Our Other Steam System Solutions
Speak to an Expert about Steam Point-of-Use Solutions
info@steammgt.com
1-800-731-0131